Taylor Race Engineering
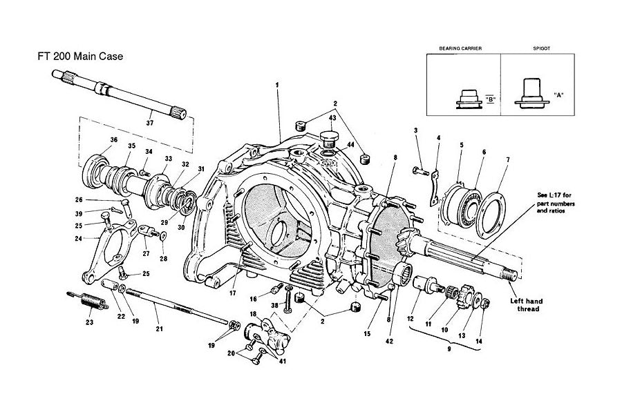
FT 200 Maincase Section
FT 200 Maincase Section
Regular price
$0.00 USD
Regular price
Sale price
$0.00 USD
Unit price
per
Couldn't load pickup availability
